Vòi Sen Cây Tắm Inax BFV-60S (BFV60S) Nóng Lạnh

Vòi Sen Cây Tắm Inax BFV-60S (BFV60S) Nóng Lạnh

  • BFV-60S
  • 15.070.000đ 18.540.000đ
  • 55
  • - +
Gọi Đặt Hàng Ngay:
GIÁ THÀNH CẠNH TRANH

GIÁ THÀNH CẠNH TRANH

Tiết kiệm 10 - 30% so với thương hiệu khác cùng chất lượng

BẢO HÀNH UY TÍN

BẢO HÀNH UY TÍN

Bảo hành toàn quốc, theo chế độ bảo hành toàn cầu

 GIAO HÀNG NHANH CHÓNG

GIAO HÀNG NHANH CHÓNG

Giao hàng nhanh chóng chỉ trong vòng 24h

Công nghệ vượt trội

Công nghệ vượt trội

Sản phẩm áp dụng những công nghệ sản xuất hiện đại, tính năng nổi bật, đáp ứng tối đa nhu cầu người sử dụng

Chi tiết

Thông tin vòi sen cây INAX BFV-60S

  • Vòi sen cây tắm INAX BFV-60S nóng lạnh đến từ thương hiệu thiết bị vệ sinh INAX
  • Bát sen được thiết kế đặc biệt giúp cho phun nước đều
  • Áp lực nước : 0.05 MPa ~ 0.75 MPa
  • Lớp mạ Cr/Ni chất lượng cao
  • Sen được thiết kế với đĩa Cartridge bền bỉ và giúp tiết kiệm nước
  • Tay vặn vòi tiết kiệm nước, vòi nước ít chì
  • Dễ dàng và tiện lợi khi sử dụng

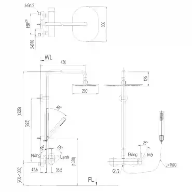
Bản vẽ kỹ thuật vòi sen tắm cây INAX BFV 60S

Bản vẽ kỹ thuật vòi cây sen tắm INAX BFV-60S

Video giới thiệu sen cây liền khối Inax BFV60S

Sản phẩm cùng loại
0
function add_fireworks_footer_script() { // Chèn JavaScript vào cuối trang } add_action('wp_footer', 'add_fireworks_footer_script');